小筱寄语
下面是扣扣留言需要的交流接触器的接线方式往期有发布,后方有汇总,欢迎电友文章底部补充!供参考!有问题请指出
文章底部找小筱
小筱升级会员,所以群也升级了总群再次放出来接待群友哈哈
在电动机直接启动电路中的应用
直接启动是低压电动机最基本的启动方式,应用范围很广,一般中小企业和农村的农副产品加工多使用这种启动方式。所谓低压电动机.通常是指额定电压为380V或660V的异步电动机。功率22kW及以下的电动机可采用直接启动方式,选用交流接触器作主开关,不推荐用胶盖开关合闸启动。那样安全性较差,曾发生过弧光烧人的事故。
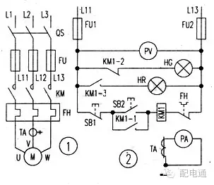
电动机直接启动的一次电路和二次电路分别见图l和图2。

图1

图2
所谓一次电路,是电动机绕组工作电流经过的电路元件和导线:二次电路是保证设备正常运行不可缺少的辅助电路.二次电路的主要功能有控制、测量、信号和保护等。使电动机启动运行和停止运行的电路是二次电路的控制功能电路;电压、电流、功率及功率因数等电参数的测量显示是其测量功能;运行和停止指示灯、异常报警声响等是二次信号回路的电路元件:热继电器、电动机保护器等元件可以实现电动机保护功能。下面具体分析电动机直接启动电路的工作过程。
图1中,三相电源的火线(相线)Ll、L2和L3接在隔离刀开关QS上端。QS的作用是在检修时断开电源.使受检修电路与电源之间有一个明显的断开点,保证检修人员的安全。FU是一次回路的保护用熔断器。准备启动电动机时,首先合上刀开关QS,之后如果交流接触器KM主触点闭合,则电动机得电运行:接触器主触点断开,电动机停止运行。接触器触点闭合与否.则受二次电路控制。
图2中.FUl和FU2是二次熔断器. SBl是停止按钮.SB2是启动按钮.FH是热继电器的保护输出触点。按下SB2。交流接触器KMl的线圈得电,其主触点闭合,电动机开始运行。同时,接触器的辅助触点KMl-1也闭合。它使接触器线圈获得持续的工作电源,接触器的吸合状态得以保持。习惯上将辅助触点KMl一1称做自保(持)触点。
电动机运行中.若因故出现过流或短路等异常情况,热继电器FH(见图1)内部的双金属片会因电流过大而热变形,在一定时限内使其保护触点FH(见图2)动作断开,致使接触器线圈失电,接触器主触点断开,电动机停止运行,保护电动机不被过电流烧坏。保护动作后,接触器的辅助触点KMl-1断开,电动机保持在停运状态。
电动机运行中如果按下SBl.电动机同样会停止运行,其动作过程与热保护的动作过程相同。
停止指示绿灯HG和运行指示红灯HR分别受接触器的常闭(动断)或常开(动合)辅助触点KMl-2、KMl一3控制,用作信号指示。电流互感器TA的二次线圈串接电流表PA,电压表PV则直接接在电源线上,它们对电动机的运行电流和电压进行。
图2中导线"丁"字形连接的地方无"·"也可。电工图纸中一般无"·"。其实,该处画圆点与否,都符合国标GB4728《电气图用图形符号》的要求,只是在不同的应用领域有各自的画图习惯而已。
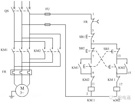
电动机可逆运行控制电路
点击下方文章标题即可查看
6月27日
交流接触器的接线方式以及接线图


电动机可逆运行控制接线示意图
电动机可逆运行控制电路的调试
1、检查主回路路的接线是否正确,为了保证两个接触器动作时能够可靠调换电动机的相序,接线时应使接触器的上口接线保持一致,在接触器的下口调相。
2、检查接线无误后,通电试验,通电试验时为防止意外,应先将电动机的接线断开。
故障现象预处理;
1、不启动;原因之一,检查控制保险FU是否断路,热继电器FR接点是否用错或接触不良,SB1按钮的常闭接点是否不良。原因之二按纽互锁的接线有误。
2、起动时接触器“叭哒”就不吸了;这是因为接触器的常闭接点互锁接线有错,将互锁接点接成了自己锁自己了,起动时常闭接点是通的接触器线圈的电吸合,接触器吸合后常闭接点又断开,接触器线圈又断电释放,释放常闭接点又接通接触器又吸合,接点又断开,所以会出现“叭哒”接触器不吸合的现象。
3、不能够自锁一抬手接触器就断开,这是因为自锁接点接线有误
相关内容汇总微信公众号
8月25日
8月23日
7月28日
8月11日
9月14日
文章源于网络,配电通整理
看过文章后,文章底部留言指出电小妹小筱的错误。如果您还不满足,就加入电力人的交流群,与电友们共同死磕。
